艾思捷廠家生產供應標準蝸輪減速機以及非標定制減速機等,標準063蝸輪減速機常用型號: SJMRVSJMRV063+0.25KW/ SJMRVSJMRV063+0.55KW/ SJMRVSJMRV063+0.75KW/ SJMRVSJMRV063+1.1KW/ SJMRVSJMRV063+1.5KW/ SJMRVSJMRV063+02.2KW、輸出軸徑為14mm、19mm、24mm。具體看自身設備的選型情況。
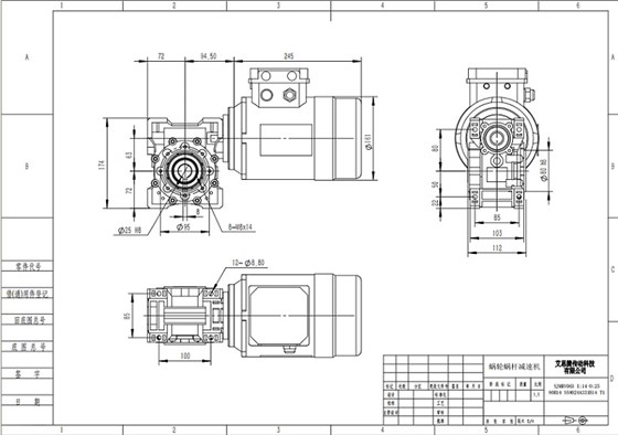
例如以下:艾思捷SJMRV063+0.75KW蝸輪減速機尺寸圖紙
艾思捷我們有專業的技術設計團隊,可以從你的設備要求出發,提供全套的技術解決方案,生產工廠在浙江德清,歡迎進行廠區考察,也歡迎大家去進行技術交流。咨詢電話:盛經理18116258006. 尹經理13262846677。


